帶滾珠導軌系統和滾珠絲杠的直線運動模塊(MKK):這些模塊使用極為緊湊的鋁型材制造,集成力士樂滾珠導軌系統。使用滾珠絲杠提供驅動動力。優點是高負載能力、定位精度和重復定位精度。帶滾珠導軌系統和齒形帶驅動裝置的直線運動模塊(MKR):這些模塊使用極為緊湊的鋁型材制造,集成力士樂滾珠導軌系統。齒形帶驅動裝置提供驅動動力,可實現5m/s的運行速度。集成的博世力士樂零間隙導軌系統的高負載能力和優化的運行特性可以實現負載的快速移動。
.gif)
.gif)
.gif)
.gif)
.gif)
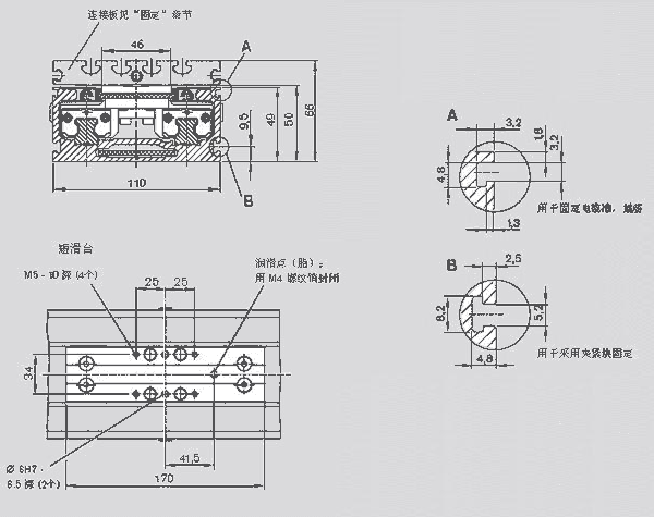
| 尺寸 A*H | 110 x 50 | ![]() |
| H1 | 66 | |
| 滑臺長度 | 170 | 215 |
| 齒形帶型號 | ATL 5 | |
| 導向的額定動載荷 C | 14000 | 22740 |
| 額定動轉矩 Mt | 350 | 570 |
| 額定動轉矩 ML | 80 | 960 |
| guanxingju Iy | 32,68 | |
| guanxingju Iz | 282,9 | |
| 移動重量 mb | 0,87 | |
| *大長度 Lmax | 4500 | |
| 單位長彈性系數 cspec | 1050 | |
| *大許用力 Fz1max | 10760 | 17480 |
| *大許用力 Fz2max | 5380 | 8740 |
| *大許用力 Fzymax | 3120 | 5060 |
| *大許用轉矩有Mtmax | 170 | 280 |
| *大許用轉矩有MLmax | 40 | 370 |

機床、木工機械、激光切割等