博世力士樂生產先進的工業液壓元件與系統,配合了微電子技術,令傳動有力而精確。其電子傳動與控制產品及系統永遠走在科技前端,為不同應用提供最佳的解決方案。在線性傳動與組裝技術方面,力士樂把兩種技術之優點融合,滿足了客戶不同的要求。此外,其氣動元件跟電動氣壓零件相配合,令元件及系統發揮得全面。REXROTH導軌主要分為:滾珠和滾柱兩個系列!
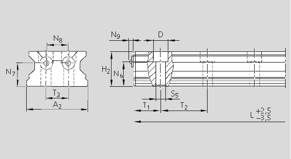
| A2 | 85 | |
| D | 20 | |
| H21) | 47.85 | |
| Lmax | 4000 | |
| N6±0.5 |
31.2 |
|
| N7 | 30 | |
| N8 | 32 | |
| N9 | 4.8 | |
| S5 | 14 | |
| T1 min2) |
18 |
|
| T1s3) | 28.0 | |
| T2 | 60 | |
| T3 | 32 | |
| 重量 | 24.7 |
1)H2為帶0.3mm厚防護帶的尺寸。
2)當尺寸小于1 min時,沒有防護帶固定的端面螺孔!防護帶必須固定!注意安裝說明!
3)首選尺寸T1s,公差+0.5/-1.0

機床、木工機械、激光切割等