博世力士樂生產先進的工業液壓元件與系統,配合了微電子技術,令傳動有力而精確。其電子傳動與控制產品及系統永遠走在科技前端,為不同應用提供最佳的解決方案。在線性傳動與組裝技術方面,力士樂把兩種技術之優點融合,滿足了客戶不同的要求。此外,其氣動元件跟電動氣壓零件相配合,令元件及系統發揮得全面。REXROTH導軌主要分為:滾珠和滾柱兩個系列!
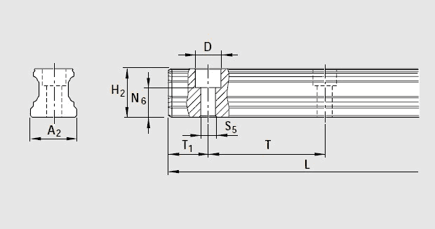
| A2 | 63 | |
| D | 26.0 | |
| H21) | 59.85 | |
| Lmax2) | 3 746 | |
| N6±0.5 |
38.5 |
|
| S5 | 18.0 | |
| T | 150 | |
| T1 min |
20 |
|
| T1s3) | 73.0 | |
| T1 max | 130 | |
| 重量 | 22.4 |
1)尺寸H2帶防護帶
2)對于規格20-45,精度N,H和P的滾珠導軌,單段供貨長度
規格20-25:Z長可達5816mm
規格30-35:Z長可達5836mm
規格45:Z長可達5771mm
3)推薦:首選尺寸T1s,公差 ±0.75。
4)由于加工原因,導軌的底面可能是平的(沒有底槽)

機床、木工機械、激光切割等