力士樂滾珠絲杠傳動系統(tǒng)為設計員開辟了利用被驅動的絲杠或被驅動的螺母完成的傳動和定位任務的廣闊領域.我公司是力士樂滾珠絲杠的代理商,能成為你滿意的行星滾珠絲杠的供應商.
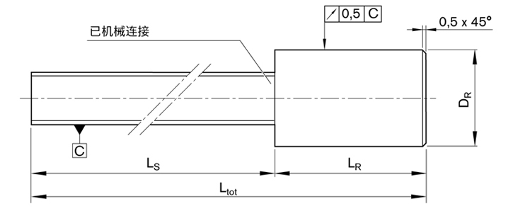
該絲杠由以下零件組成:絲杠部分和未加工的軸頸。

|
d0 x P (mm) |
公差等級 |
(mm) |
|||
|
DR –1 |
LR +2 |
Ltot |
LS |
||
|
20 x 5R |
T5 |
36.40 |
200 |
1 700 |
1 500 |
|
25 x 5R/10R |
36.40 |
200 |
1 700 |
1 500 |
|
|
30 x 5R/10R |
46.10 |
250 |
2 050 |
1 800 |
|
|
39 x 5R/10R |
76.25 |
400 |
2 300 |
1 900 |
|
|
48 x 5R/10R |
80.40 |
400 |
2 300 |
1 900 |
|
|
60 x 10R/20R |
98.30 |
600 |
3 500 |
2 900 |
|
|
75 x 10R/20R |
110.40 |
600 |
3 500 |
機床、木工機械、激光切割等 | |