滾珠導軌滑塊

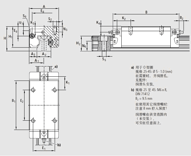
| A | 86 | |
| A1 | 43 | |
| A2 | 45 | |
| A3 | 20.5 | |
| B | 174.1 | |
| B1 | 133.5 | |
| E1 | 60 | |
| E2 | 80 | |
| E8 | 69.80 | |
| E9 | 30.90 | |
| H | 70 | |
| H1 | 60.30 | |
| H21) | 40.15 | |
| H22) | 39.85 | |
| K1 | 35.50 | |
| K2 | 37.50 | |
| K3 | 18.20 | |
| K4 | 18.20 | |
| N3 | 18.0 | |
| N6±0.5 | 23.5 | |
| S2 | M10 | |
| S5 | 14.0 | |
| S9 | M4*7 | |
| T | 105 | |
| V1 | 10.0 | |
| 重量 | 4.10 | |
| 額定載荷C3) | 90 400 | |
| 額定載荷 C03) | 128 500 | |
| 額定轉矩 Mt3) | 2 440 | |
| 額定轉矩 Mto3) | 3 470 | |
| 額定轉矩 ML3) | 1 700 | ![]() |
| 額定轉矩 ML03) | 2 425 | ![]() |

機床、木工機械、激光切割等